B
OpAmp Macromodel
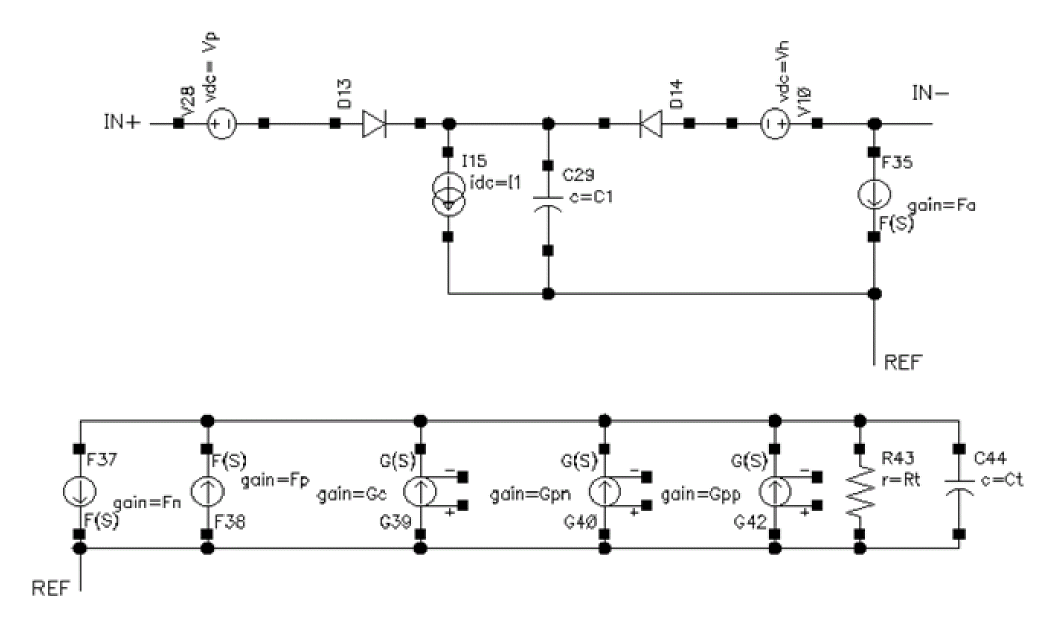
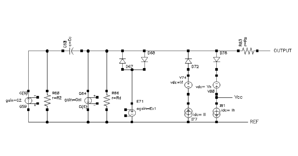
The OpAmp macromodel uses a simplified equivalent circuit to emulate the DC, AC, and transient nature of real amplifier electrical performance.
The electrical performance is defined by common data sheet performance factors or parameters (such as offset voltage and slew rate) as properties on the macromodel symbol. You use these parameters as arguments in complex algebraic expressions defining the elemental values of the components making up the macromodel.
The OpAmp macromodel simulates the following effects:
- Input bias current
- Input offset current
- Input offset voltage
- Input capacitance
- Positive and negative slew rate
- Positive feedthrough
- Open loop gain
- Common mode rejection ratio
- Gain bandwidth product
- Second pole frequency
- Saturation delay time
- High frequency output impedance
- AC output resistance
- DC output resistance
- Positive and negative output swing
- Positive and negative output current limit
- Positive and negative power supply rejection ratio
- Positive and negative power supply current
Equivalent Circuit
The following figures show the three stages in a schematic of the OpAmp macromodel circuit:



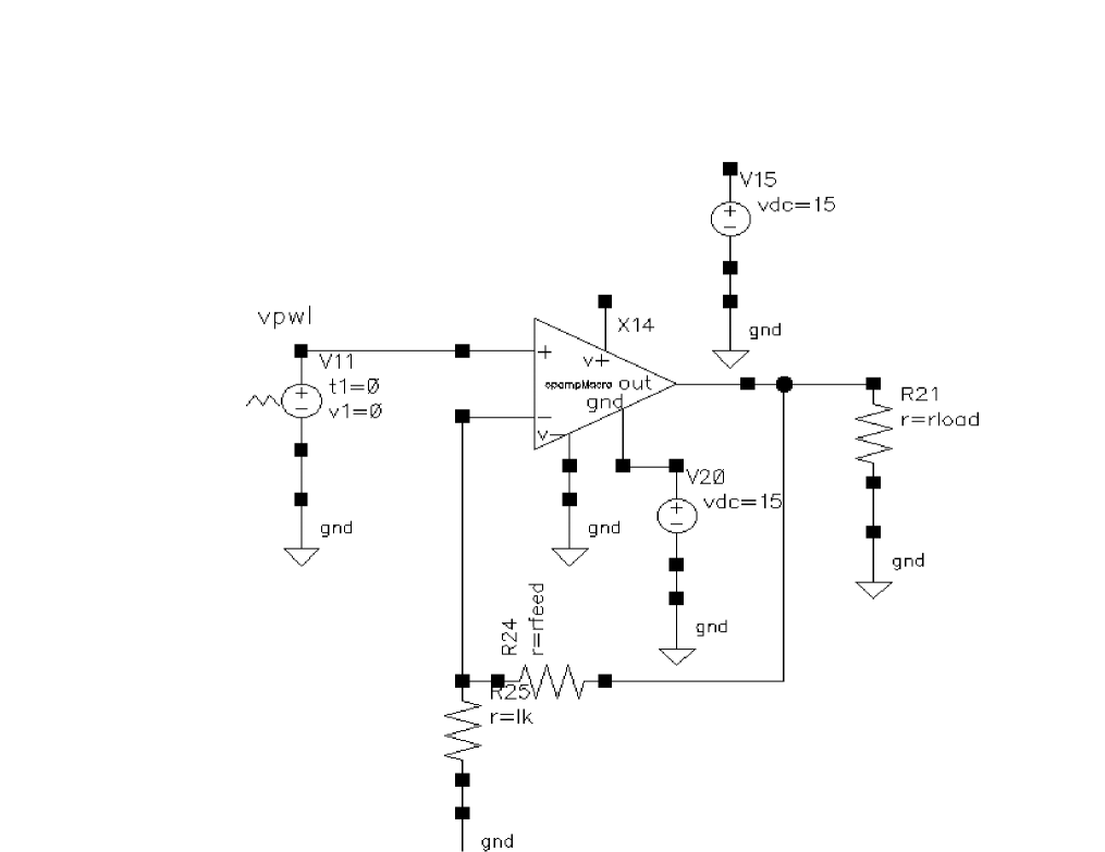
Example
Below is a schematic of a simple noninverting amplifier with closed-loop DC gain = rfeed/(rfeed + 1K).

The macromodel property list values are the typical values listed in OpAmp Macromodel Parameters.
Return to top