Functional Block Library Examples
Functional blocks contain the essential functionality of the parts they represent. One important application of these blocks is the creation and simulation of high-level systems. The components in the library are used as primitives to create more complex blocks. For example, you can arrange the system shown in Double-Sideband Amplitude Modulation (DSB-AM) to appear as a single symbol for use in a communication system design.
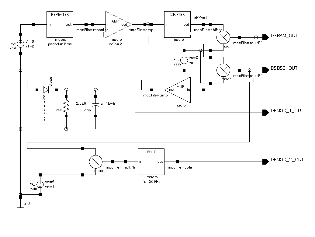
Double-Sideband Amplitude Modulation (DSB-AM) Example and illustrate the use of the functional blocks and also demonstrate that you do not have to use the blocks in isolation. Regular circuit components and components from any other installed library can be placed on a schematic and simulated.
Double-Sideband Amplitude Modulation (DSB-AM) Example
Consider a sample system of the DSB-AM schematic as shown in the following figure.

This sample system shows how the process of double-sideband amplitude modulation (DSB-AM) can be performed using functional blocks.
The piecewise linear voltage source generates one cycle of a triangular wave, as shown on
The repeater block takes as its input the one cycle triangular wave and repeats it, with a period of 10 ms. The output from the repeater is the periodic triangular waveform shown in
This signal is the baseband signal, Vs(t), which modulates the carrier. The depth of modulation required is 100 percent, so it is necessary for the carrier amplitude and the effective baseband amplitude to be equal.
Here, the carrier is set to 1 volt at 1000 Hz. As the modulation process is performed by the multiplier block (product or balanced modulation), the amplitude of the baseband signal is raised from 0.5 volts at the output of the repeater, to 1 volt. To achieve DSB-AM, the baseband signal must also be level-shifted by an amount equal to the carrier amplitude.
To achieve this, set the gain of the amplifier block to 2 and the amount of shift to 1 volt. The modulated result is shown in
The waveforms for this example are shown in the following figure:

-
Waveform
ais the modulated result of the DSB-AM modulation. -
Waveform
bis the periodic triangular waveform that the repeater block generates as output. -
Waveform
cis one cycle of a triangular wave that the linear voltage source generates.
Double Sideband Suppressed Carrier Transmission (DSB-SC) Example
This example uses the circuitry already described in the following figure.

The circuitry in this example has the following additional features that enable DSB-SC modulation:
The frequency of the carrier reinsertion oscillator is set to 2000 Hz, which is the frequency of the carrier signal used in this example. Further, the cutoff (3 dB) frequency of the single pole (low-pass) filter at the output of the remodulator was set to 500 Hz. This allows up to the fifth harmonic of the detected triangular wave to be passed to the output.
The waveforms for this example are shown in the following figure.

Related Topics
Double-Sideband Amplitude Modulation (DSB-AM) Example
Double Sideband Suppressed Carrier Transmission (DSB-SC) Example
Return to top