2
SPICE Circuit Simulation Interface
This chapter contains the following topics:
Overview
To set up and run a basic simulation using menus and forms, refer to Simulation Environment Help. Here is information specific to running the SPICE simulator:
- SPICE does not have a command to read an input file, so the netlist file must be specified in the control file with the simulation environment file inclusion function, “[!netlist]”; this tells the interface to include the netlist file in the file that is passed to SPICE. For an example of this, refer to the sample SPICE control file in "Example of a SPICE Simulation Run”. Any other command or stimulus files you want to use as input to SPICE can be specified in the same way.
- The template control file for SPICE includes two other files in addition to the netlist file, spice.inp and spice.sim. These files are for stimulus data and simulator commands. The Initialize command from the Simulation menu automatically creates templates for these files in a new run directory.
- The waveform interface for SPICE does not handle multiple analysis simulation runs. To view waveforms, perform one analysis for each simulation run.
- The Waveform Display program does not display results of AC small-signal analysis simulation runs. Use the SPICE .PRINT or .PLOT commands to generate SPICE text output, and read it using the view output command.
Example of a SPICE Simulation Run
This section shows an example of input and output files needed for running a SPICE simulation.
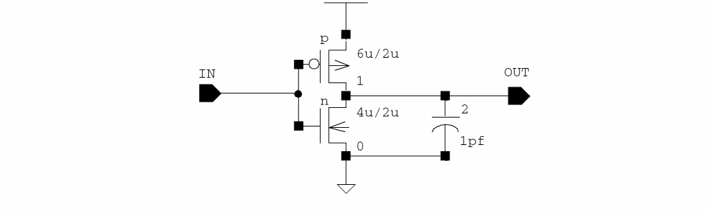
The following input and output files are for running the simulation on the inverter shown below:

- The control file is used as an input for running the simulation.
- The netlist file created by running the netlister on the design.
- The si.inp file is created by the simulation interface and is passed to SPICE. This file is formed by including the specified files in the control file and mapping the user-defined names to numbers suitable for SPICE.
- The spice.inp file is created by the Initialize command. Modify this file by adding the stimulus data.
- The spice.sim file is created by the Initialize command. Modify this file by adding the simulator commands.
- The si.log file is the log of the simulation run.
- The si.out file is the text output created by SPICE.
control file
* Spice control file
.options acct opts nopage limpts=1000
.width in=80 out=80
[!spice.inp]
[!netlist]
[!spice.sim]
.end
netlist file
* net 1 = vdd!
* net 0 = gnd!
* net 2 = /OUT
* net 3 = /IN
.MODEL Model1 pmos level=2 vto=-.7 kp=1.5e-05 gamma=.4
+lambda=.03 tox=6.e-07 xqc=.5
* pmos(0) = /1
M$#0 1 3 2 1 Model1 l=2u w=6u
* capacitor(1) = /2
C$#1 2 0 poly 1pf
.MODEL Model3 nmos level=2 vto=.7 kp=3.e-05 gamma=.2 +lambda=.02
+ tox=6.e-07 xqc=.5
* nmos(2) = /0
M$#2 2 3 0 0 Model3 l=2u w=4u
spice.inp file
vdd [#vdd!] [#gnd!] dc 5v
vin [#/IN] 0 pwl 0 0 100ns 5v 150ns 5v 250ns 0
spice.sim file
.tran 1ns 300ns
si.inp file: Used as Input to SPICE
* Spice control file
.options acct opts nopage limpts=1000 .width in=80 out=80 vdd 1 0 dc 5v vin 3 0 pwl 0 0 100ns 5v 150ns 5v 250ns 0 * net 1 = vdd! * net 0 = gnd! * net 2 = /OUT * net 3 = /IN .MODEL Model1 pmos level=2 vto=-.7 kp=1.5e-05 gamma=.4 +lambda=.03 tox=6.e-07 xqc=.5 * pmos(0) = /1 M$#0 1 3 2 1 Model1 l=2u w=6u * capacitor(1) = /2 C$#1 2 0 poly 1pf .MODEL Model3 nmos level=2 vto=.7 kp=3.e-05 gamma=.2 lambda=.02
+ tox=6.e-07 xqc=.5
* nmos(2) = /0
M$#2 2 3 0 0 Model3 l=2u w=4u
.tran 1ns 300ns
.end
si.log file: Produced from the Simulation Run
si version 4.0.55 Wed Apr 18 21:51:31 PDT 1990 (cds2082)
si: Loading user defined simulation run control file "~/.simrc".
si: Loading simulation environment file "/usr/mnt2/hpeter/4.0/group/spice/test2/run1/si.env".
si: Loading simulation capabilities file "/usr/mnt2/hpeter/4.0/etc/skill/si/simcap.ile".
Running simulation in directory: "/usr/mnt2/hpeter/4.0/group/spice/test2/run1".
Running netlist
Begin netlist: Apr 26 11:58:45 1990
simulation library path = ". ~"
simulation library = testLib
library configuration = default
cell = spice.cct2
view = schematic
view list = ("spice" "cmos.sch" "schematic")
stopping view list = ("spice")
End netlist: Apr 26 11:58:54 1990
Running simin
Running runsim with simulator: "spice"
Begin simulation: Apr 26 11:58:56 1990
End simulation: Apr 26 12:02:38 1990
Running simout
Simulation completed successfully.
si.out file: Output of a SPICE Simulation Run
***4/26/90 ***** SPICE 2G.6 3/16/83 ****14:35:31***
* SPICE CONTROL FILE
**** INPUT LISTING TEMPERATURE = 27.000 DEG C
********************************************************
.OPTIONS ACCT OPTS NOPAGE LIMPTS=1000
.WIDTH IN=80 OUT=80
VDD vdd! gnd! DC 5V
VIN /IN gnd! PWL 0 0 100NS 5V 150NS 5V 250NS 0
* NET 1 = VDD!
* NET 0 = GND!
* NET 2 = /OUT
* NET 3 = /IN
.MODEL MODEL1 PMOS LEVEL=2 VTO=-.7 KP=1.5E-05
GAMMA=.4
+LAMBDA=.03 TOX=6 .E-07 XQC=.5
* PMOS(0) = /1
M/1 vdd! /IN /OUT vdd! MODEL1 L=2U W=6U
* CAPACITOR(1) = /2
C/2 /OUT gnd! POLY 1PF
.MODEL MODEL3 NMOS LEVEL=2 VTO=.7 KP=3.E-05 GAMMA=.2
+ LAMBDA=.02
+ TOX=6.E-07 XQC=.5
* NMOS(2) = /0
M/0 /OUT /IN gnd! gnd! MODEL3 L=2U W=4U
.TRAN 1NS 300NS
.END
****************************************************************
**** MOSFET MODEL PARAMETERS TEMPERATURE = 27.000 DEG C
MODEL1 MODEL3
TYPE PMOS NMOS
LEVEL 2.000 2.000
VTO -0.700 0.700
KP 1.50D-05 3.00D-05
GAMMA 0.400 0.200
LAMBDA 3.00D-02 2.00D-02
TOX 6.00D-07 6.00D-07
XQC 0.500 0.500
**** OPTION SUMMARY TEMPERATURE = 27.000 DEG C
DC ANALYSIS -
GMIN = 1.000D-12
RELTOL = 1.000D-03
ABSTOL = 1.000D-12
VNTOL = 1.000D-06
LVLCOD = 1
ITL1 = 100
ITL2 = 50
PIVTOL = 1.000D-13
PIVREL = 1.000D-03
TRANSIENT ANALYSIS -
METHOD = TRAP
MAXORD = 2
CHGTOL = 1.000D-14
TRTOL = 7.000D+00
LVLTIM = 2
MU = 0.500
ITL3 = 4
ITL4 = 10
ITL5 = 5000
MISCELLANEOUS -
LIMPTS = 1000
LIMTIM = 2
CPTIME = 100000000
NUMDGT = 4
TNOM = 27.000
DEFL = 1.000D-04
DEFW = 1.000D-04
DEFAD = 0.000D+00
DEFAS = 0.000D+00
************************************************************ MOSFET MODEL PARAMETERS TEMPERATURE = 27.000 DEG C
MODEL1 MODEL3
TYPE PMOS NMOS
LEVEL 2.000 2.000
VTO -0.700 0.700
KP 1.50D-05 3.00D-05
GAMMA 0.400 0.200
LAMBDA 3.00D-02 2.00D-02
TOX 6.00D-07 6.00D-07
XQC 0.500 0.500
**** OPTION SUMMARY TEMPERATURE = 27.000 DEG C
DC ANALYSIS -
GMIN = 1.000D-12
RELTOL = 1.000D-03
ABSTOL = 1.000D-12
VNTOL = 1.000D-06
LVLCOD = 1
ITL1 = 100
ITL2 = 50
PIVTOL = 1.000D-13
PIVREL = 1.000D-03
TRANSIENT ANALYSIS -
METHOD = TRAP
MAXORD = 2
CHGTOL = 1.000D-14
TRTOL = 7.000D+00
LVLTIM = 2
MU = 0.500
ITL3 = 4
ITL4 = 10
ITL5 = 5000
MISCELLANEOUS -
LIMPTS = 1000
LIMTIM = 2
CPTIME = 100000000
NUMDGT = 4
TNOM = 27.000
DEFL = 1.000D-04
DEFW = 1.000D-04
DEFAD = 0.000D+00
DEFAS = 0.000D+00
********************************************************
INITIAL TRANSIENT SOLUTION TEMPERATURE = 27.000 DEG C
NODE VOLTAGE NODE VOLTAGE NODE VOLTAGE
(vdd!) 5.0000 (/OUT) 5.0000 (/IN) 0.0000
VOLTAGE SOURCE CURRENTS
NAME CURRENT
VDD -6.933D-12
VIN 0.000D+00
TOTAL POWER DISSIPATION 3.47D-11 WATTS
********************************************************
OPERATING POINT INFORMATION TEMPERATURE = 27.000 DEG C
**** MOSFETS
M/1 M/0
MODEL MODEL1 MODEL3
ID 6.80E-12 1.93E-12
VGS -5.000 0.000
VDS 0.000 5.000
VBS 0.000 0.000
JOB CONCLUDED
**** JOB STATISTICS SUMMARY TEMPERATURE = 27.000 DEG C
NUNODS NCNODS NUMNOD NUMEL DIODES BJTS JFETS MFETS
4 4 4 5 0 0 0 2
NUMTEM ICVFLG JTRFLG JACFLG INOISE IDIST NOGO
1 0 301 0 0 0 0
NSTOP NTTBR NTTAR IFILL IOPS PERSPA
6. 13. 13. 0. 21. 63.889
NUMTTP NUMRTP NUMNIT MAXMEM MEMUSE COPYKNT
71. 4. 170. 249984 1576 15052.
READIN 0.42
SETUP 0.05
TRCURV 0.00 0.
DCAN 0.18 13.
DCDCMP 0.067 2.
DCSOL 0.067
ACAN 0.00 0.
TRANAN 3.63 170.
OUTPUT 0.00
LOAD 3.067
CODGEN 0.000 1fs 0.
CODEXC 0.000
MACINS 0.000
OVERHEAD 0.07
TOTAL JOB TIME 4.35
********************************************************
Return to top