Model Concepts
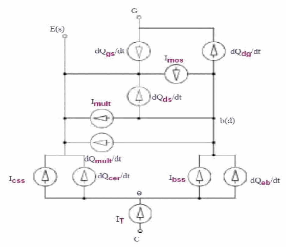
The equivalent circuit for the IGBT is shown below. It is modeled as a thick base BJT driven by MOSFET. Five DC current components and six charge (capacitive) components are included in the model. For the meaning of specific component, refer to the Model Equation part of the model.
As the simplified IGBT model, only the basic characteristics are modeled by IGBT0 model. Combining BJT with MOSFET, p_type IGBT0 devices are hard to modeling and seldom used. Only N-type devices are supported. Different with MOSFET, there’s only the leakage current exist when the devices are reversed ( Vc < Ve ).

Related Topics
Return to top