Model Overview
A Josephson junction is made by sandwiching a thin layer of a non-superconducting material between two layers of superconducting material. The devices are named after Brian Josephson, who predicted in 1962 that pairs of superconducting electrons could "tunnel" right through the non-superconducting barrier from one superconductor to another.

Josephson Junction model is for transient analysis only.
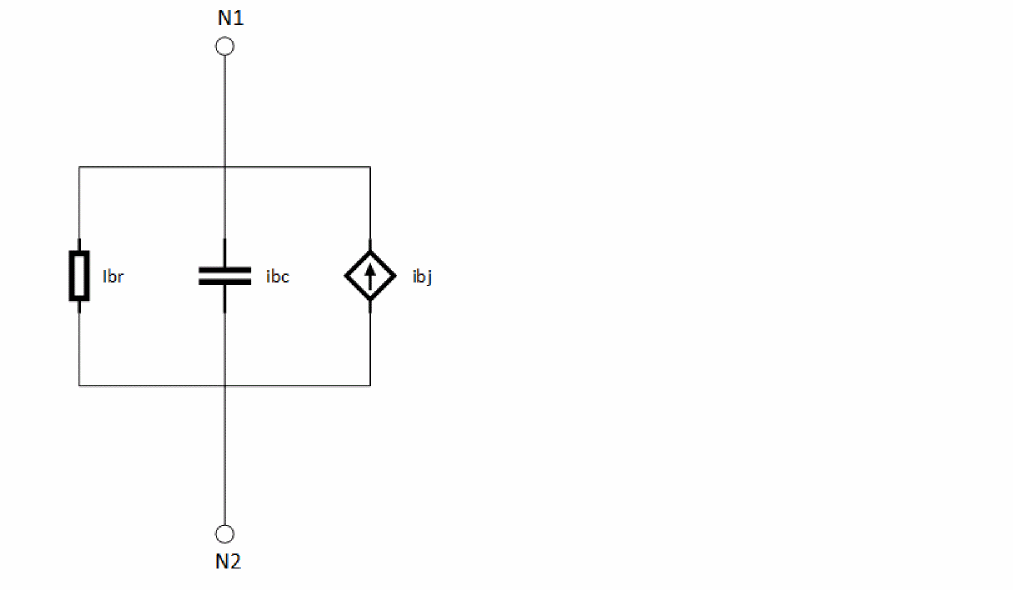
The topology is shown in the figure below.

Equivalent Circuit

Related Topics
Return to top