Product Documentation
Spectre Circuit Simulator Components and Device Models Reference
Product Version 23.1, June 2023

28


EKV3 MOSFET Model (ekv3)

Modes

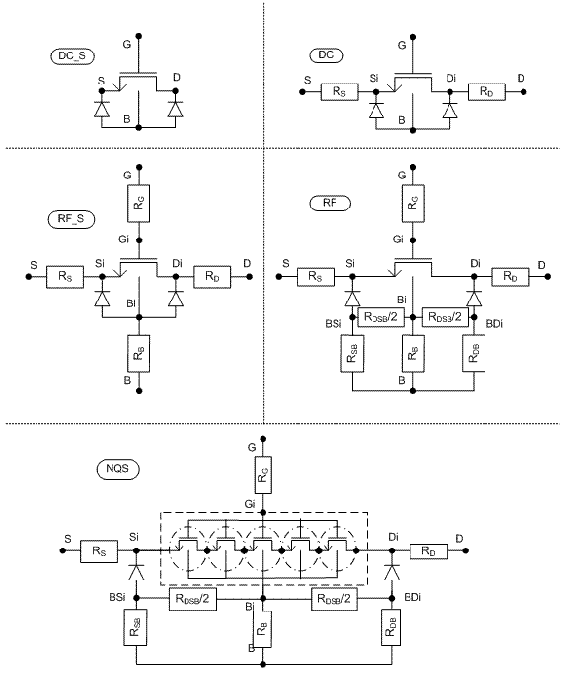
The low-frequency macro model of the EKV3 model is shown in Figure 26.1. The EKV3 model supports five versions of internal circuitry. Each version covers the needs of certain areas.l

Mode Name Description Internal Nodes

DC_S

No external resistors

0

DC

External series resistors

2

RF_S

External series resistors, gate resistor and 4 single substrate resistor

4

RF

External series resistors, gate resistor and 6 full substrate resistor network

6

NQS

External series resistors, gate resistor and 10 full substrate resistor network; minimal channel segmentation

10

Related Topics

Model Equations

Model Usage

Component Statements

Device ekv3_nqs (ekv3_nqs)

Device ekv3_r4 (ekv3_r4)

Device ekv3_rf (ekv3_rf)

Device ekv3_s (ekv3_s)


Return to top
 ⠀
X