Equivalent Circuit
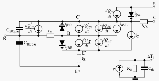
Figure -1 Large signal equivalent circuit of the simplified HICUM version, HICUM/L0

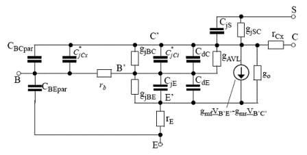
Figure -2 Small signal equivalent circuit of HICUM/L0

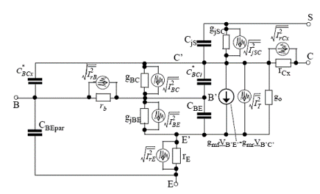
Figure -3 Small signal noise equivalent circuit of HICUM/L0 showing the noise sources with their RMS values used in a circuit simulator

Return to top