39
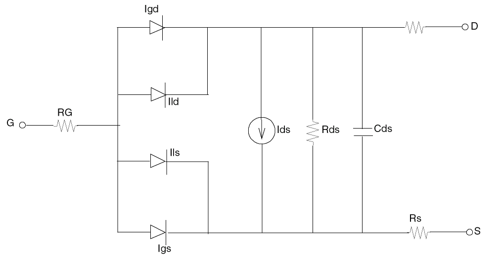
TriQuint Owned Models (tom2 and tom3/tom3v1)
The TOM2 and TOM3/TOM3V1 models are developed by TriQuint.
Circuit Diagrams
TOM2

TOM3
Spectre Implementation

TOM3 with SubCircuit

Related Topics
New features from TOM3 to TOM3v1
Return to top