5
BJT Model (bjt)
The BJT model is based on the Berkeley-Spice Gummel-Poon model. It defaults to the simpler Ebers-Moll model if certain parameters are left unspecified. This model also includes a substrate junction that connects either to the collector or to the base to model vertical and lateral structures.
Click to view the following information about the BJT model:
- Device Regions
- DC Current
- Nonlinear Base Resistance
- Nonlinear Collector Resistance (If rcv Is Specified)
- Collector Leakage Current
- Substrate Leakage Current
- Charge and Capacitance
- Excess Phase
- Temperature Effect
- Noise Model
- Scaling Effects
When the Spectre® circuit simulator option
approx is set to yes, pow() in the junction depletion capacitance calculation and sqrt() in the BJT and MOSFET level 1-5 models are replaced by a spline-function approximation. For more information, see spectre -h options.
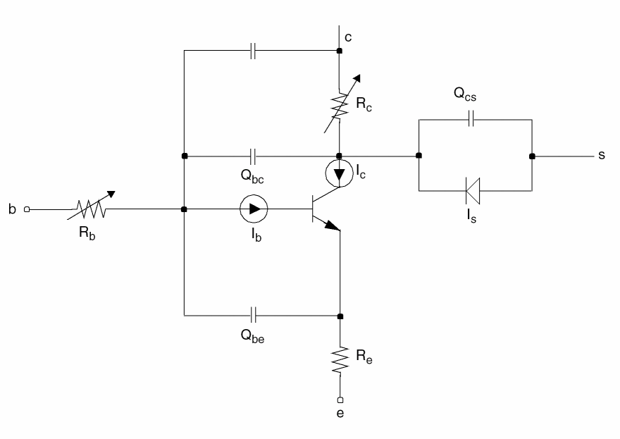
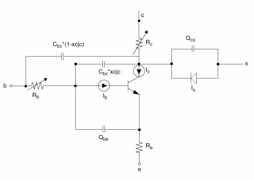
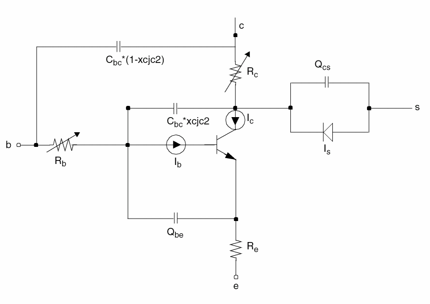
If struct=vertical (the default for NPN), the schematic of the model is given by one of the following figures:
If Cbcsplit2 or Cbcsplit is not specified:






If struct=lateral (the default for PNP), the schematic of the model is given by


Return to top